Technology
Solar-Powered Smart BMS for Longer Battery Life
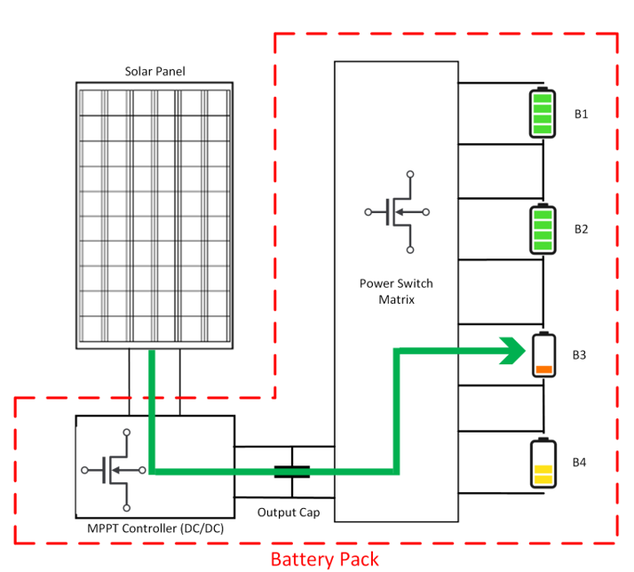
Solancing LLC is commercializing a solar-assisted Battery Management System (BMS) that integrates an intelligent BMS, a solar MPPT converter, and advanced balancing power electronics directly into the battery pack. By harnessing free and clean solar energy, the system balances individual cells or modules to extend vehicle mileage and battery life, and when all cells are balanced, the solar energy is redirected to charge the entire pack. These operations take place automatically during both charging and discharging without requiring additional complex controls, while at night or in the absence of solar energy, active balancing can still be performed.
Bi-directional Charger Enabled Virtual Solar Farm
If the electric vehicle is equipped with a bi-directional charger, the proposed system can be integrated with the battery system and the charger to perform more value-added functions. For instance, when the vehicle has been fully charged, the battery can be disconnected, and the energy generated by the PV will be sent to the power grid. If there are a decent number of vehicles equipped with the proposed system, all these vehicles can be aggregated and actually form a solar farm without land, hardware, and construction. When the EV owner wants to sell electricity to the grid or power up off-grid loads like camping devices, the PV can deliver power through the bi-directional charger along with the battery. With all these functions, this system can maximize the usage of solar energy for both transportation electrification and clean community development.


